相关热点:  
海洋新材料 海洋装备 海洋牧场 碳捕捉封存 海洋经济 海洋生态 海上能源岛 岸电 海水淡化 海洋观测 示范项目

海上风电

浮式风电新突破:动态电缆+系泊“即插即用”技术获ABS认证

海洋能源网获悉,在苏格兰阿伯丁举行的2025浮式海上风电会议上,美国船级社(ABS)向Encomara公司的Squid系统颁发了原则性批准(AiP),标志着这一创新技术在浮式风电领域的应用迈出了重要一步。对于浮式风电平台,当平台遇到问题需要拖回船厂检修时,拆除系泊缆和电缆以及后续再次安装,都会耗费大量的人力物力,并且对海况要求较高。Squid系统很好地解决了这一问题。Squid是一种通用的、预安装的系泊和电缆接口,可以快速地拆除和安装系泊缆和动态电... 11-24  
头条

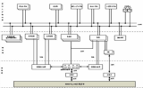
《海上风电柔性直流送出控制与保护系统技术规范》简介

中国电工技术学会团体标准T/CES 166-2022《海上风电柔性直流送出控制与保护系统技术规范》由中国电工技术学会提出,许继集团有限公司、中国能源建设集团广东省电力设计研究院有限公司和中国电建集团华东勘测设计研究院有限公司等单位起草编制完成。 2023-02-23 海上风电

我国首台漂浮式海上风电系统装备的研发工作取得圆满成功

2月16日,三峡集团所属三峡能源《浮式海上风电平台全耦合动态分析及其装置研发》科研项目顺利通过广东省自然资源厅组织的专家验收评审会。 2023-02-23 漂浮式海上风电

TDI-Brooks获美国海上风电勘测合同

TDI-Brooks获得一份勘测合同,为美国东海岸海上风电项目进行地质勘察、岩土工程勘察和海底取样,以研究其项目租赁区和潜在出口电缆线路的海底环境。 TDI-Brooks表示,收集的数据将有助于确定安全和负责的项目设计和工程,同时确定潜在的地质灾害和底栖生物栖息地。 2023-02-23 海上风电项目

气象服务助力海上风电项目建设安全运行

2月17日,山东省利津县气象局与山东能源渤中海上风电项目部签订专业气象服务合作协议。 2023-02-22 海上风电

最新市场数据!中国引领全球9.4GW海上风电热潮!

世界海上风电论坛(WFO)发布最新《2022年全球海上风电报告》,据统计,2022年全球海上风电装机容量9.4GW,截至2022年底,全球海上风电累计装机容量达57.6GW。 WFO认为,2022年全球海上风电增长再次主要由中国推动。《2022年全球海上风电报告》显示,2022年中国新增了6.8GW的海上风电装机,中国海上风电总装机达到了25.6GW,超过了英国(13.6GW)、德国(8GW)和荷兰(3GW)的总和。 2023-02-22 海上风电海上风电场

粤电力:“十四五”计划新增风电装机440万千瓦

2月20日,广东电力发展股份有限公司(简称“粤电力”,SZ:000539)表示,公司将积极跟进粤东、粤西海上风电基地规划以及广东省海上风电竞配方案,争取进一步拓展海上风电项目。 粤电力是广东省最大的电力上市公司,主营业务是电力项目的投资、建设和经营管理,电力的生产和销售业务。 2023-02-21 海上风电项目

跻身“国家队”! 滨海新区获批国家级海洋工程装备创新型产业集群

近日,科技部火炬中心公布2022年创新型产业集群名单,滨海新区海洋工程装备创新型产业集群入选,成功跻身国家队,从产业入局,为滨海新区高质量发展进一步提供支撑力与引领力。目前,该集群年销售收入已超过1700亿元,工业产值超过620亿元。资料图:天津港据了解,近年来,滨海新区以天津港保税区为核心,围绕以海洋石油工程股份有限公司、天津博迈科海洋工程有限公司为龙头的海洋油气装备产业,以中船(天津)船舶制造有限公司为核心的高技术船舶产业,以海水... 2023-02-21 海工装备海洋高质量发展海水淡化

李留罐:“海上风电+海水制氢”模式将是未来电解水制氢产业发展的重要方向之一

近日,国内首例集滩涂光伏储能海水制氢一体化项目在大连正式开工。随着风电等可再生能源装机逐渐走向深远海,电力远距离输送损耗问题日益显现。近年来,越来越多的项目开始采用风电耦合海水制氢模式,实现由化石能源向绿色清洁能源转变,解决深远海新能源电力消纳难题。 业界普遍认为认为,虽然海水制氢这一技术路径极具前景,但现有电解水技术大都基于纯水,目前海水制氢在装备技术、降本路径等方面尚有诸多瓶颈,短期内将以试点示范为主。 2023-02-20 海水制氢

威海首个海域内海上风电项目正式开工

2月14日,山东半岛南海上风电基地U场址在乳山市开工,这是威海首个海域内海上风电项目,也是国内目前在建单体容量最大的海上风电项目。 2023-02-20 海上风电项目

北海市海上风电产业招商推介会正式召开

近日,北海市海上风电产业招商推介会正式召开。会议上,金风科技与北海市人民政府签订《北海市“北部湾”风电零碳产业基地项目投资合作框架协议》 ,为北部湾区域风电发展注入强劲动力。北海市委书记蔡锦军,北海市委副书记、市长李莉,北海市委常委、常务副市长谭秀洪、金风科技总裁曹志刚、副总裁刘日新、副总裁薛乃川等领导嘉宾出席本次活动。 2023-02-20 海洋能源

中国铁建港航局中标海南省首个海上风电项目

2月17日,中国铁建港航局集团公司在海南省海上风电市场拔得头筹,成功中标申能海南CZ2海上风电示范项目,中标金额20.89亿元,合同工期约为365日历天。该项目是海南省首个海上风电项目,也是该省第一个启动招标建设的示范项目,将打造成海南海上风电项目建设的标杆,对进一步提升企业知名度,擦亮“铁建港航”海上风电品牌具有重要意义。 2023-02-20 海上风电项目

大唐两个海上风电项目勘察设计招标

北极星风力发电网讯:2月13日,大唐海南儋州120万千瓦海上风电项目、大唐南澳勒门I海上风电扩建项目的勘察设计进行招标。 2023-02-17 海上风电

汕头国际风电创新港建设联合体成立

2023年2月2日,汕头市高质量发展大会暨汕头国际风电创新港产业项目开工签约大会在濠江区海上风电创新产业园举行,共有5个项目签约、8个项目开工,由15家全球海上风电产业链龙头企业共同发起的“汕头国际风电创新港建设联合体”宣告成立。 2023-02-17 海上风电

远景智能风机,开启海上大兆瓦时代

平价时代,海上风电新产品新技术层出不穷,远景能源用技术穿透产业链,深入理解、充分应对机组大型化带来的全方位挑战,以高发电性能、高可靠性和智能高效交付,开启海上风电平价新时代。 2023-02-17 海上风电机组

丹麦和加州深化(浮式)海上风电合作

根据丹麦能源署的说法,丹麦自2017年以来一直与美国(州)当局合作,将丹麦在海上风电和能源效率方面的监管经验引入该国计划的绿色转型中,使其更加灵活并帮助加速转型。 此外,这也将有助于推动新兴海上风电市场的进一步发展,有利于出口丹麦的能源技术,有助于减少二氧化碳,据DEA称,除了加州,该机构还与弗吉尼亚州、新泽西州和纽约州进行合作。 据悉,加利福尼亚州是美国首个进行浮式风电租赁销售的州,为5个租赁区授予了共计8.1吉瓦的浮式风电容量。 2023-02-16 海上风电
阅读榜